- Производитель:
- Модель:GRAVITY
- Артикул:44199
- 77
- Вес:250.00 г
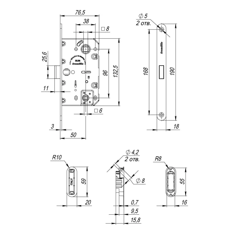
- Размеры (Д x Ш x В):80.00 x 230.00 x 20.00 мм
- Бэксет (удаление ключевого отверстия):50 мм
- Дополнительная фиксация:Поворотной ручкой
- Материал защелки:Магнитная защелка
- Производитель:ARMADILLO
- Размер сечения квадрата ручки:8 мм
- Размер сечения квадрата фиксатора:6 мм
- Серия:GRAVITY
- Способ установки:Врезной
- Страна производитель:Китай
- Тип упаковки:Коробка
- Толщина двери:35 мм
- Цвет:Черный
- Материал:Сталь
- Лицевая планка:Овальная
- Квадрат:8 мм
- Ответная планка:Есть
- Тип защелки:Универсальная, классическая
- Удаление квадрата под ручку:50 мм
Магнитная Armadillo (Армадилло) защелка WC с ответной планкой GRAVITY G01.190.50.96 MWSC итальянский тисненый
Магнитные защёлки Armadillo GRAVITY - продукт совместной работы российских и итальянских производителей. Бесшумность работы достигается за счет магнитного механизма, срабатывающего только при закрывании. В остальное время защёлка утоплена в полотно. Такая конструкция делает торец более эстетичным и продлевает срок службы самого изделия. Оригинальные итальянские неодимовые магниты препятствуют преждевременному размагничиванию. Полностью гальванизированный корпус защищает от образования коррозии. Уникальный метод полировки лицевой планки гарантирует идеально ровные торцы. Форма ответной планки со скошенными краями обеспечивает отличное сцепление и плавное закрывание. Доступны два размера планки: 190 и 196 мм Саморезы в цвет планки подчеркивают эстетичный вид. Предназначены для установки на деревянные, межкомнатные и сантехнические двери левого и правого открывания с толщиной полотна от 35 мм. Защелки прошли испытания и имеют высший 4 класс надежности (250 000 циклов открывания/закрывания) Гарантия 10 лет.
Внимание! Не использовать для чистки изделия растворители, чистящие абразивные, кислотные и щелочные моющие средства, а также спиртосодержащие вещества – это может повредить поверхность изделия! Уход за изделием заключается в протирании его мягкой полувлажной тканью.
Изображения и цвета могут отличаться от реальных, в зависимости от цветопередачи и разрешения монитора. Если у Вас останутся вопросы обратитесь к продавцу для получения разъяснений.
Наши менеджеры всегда готовы ответить на Ваши вопросы.
Адрес фирменного салона дверей Victoria, где Вы можете получить консультацию и заказать фурнитуру: МКАД 51км, Т.Ц. "ЭлитСтрой Материалы", стенд C-9.
Получить консультацию можно по телефону: 8(919)109-8983.
Уважаемые покупатели! В связи с нестабильной ситуацией на валютном рынке просьба актуальные цены уточнять у менеджера.
Порядок оплаты
Для физических лиц.
Расчет за товар выполняется в российских рублях. Мы предлагаем несколько способов оплаты:
- Наличными на торговой точке.
- Перевод на банковскую карту.
- Банковской картой через терминал торгового эквайринга на торговой точке.
- Переводом на наш счет.
Для юридических лиц.
Безналичный расчет при сотрудничестве с юридическими лицами-компаниями.
Счет на оплату выставляется юридическим лицам и индивидуальным предпринимателям на основании заявки, которую вы можете отправить на электронную почту victoriadveri@ya.ru .
Счет выставляется БЕЗ НДС. Отгрузка осуществляется при 100% оплате.
Условия Доставки
Минимальная сумма заказа 2000 рублей.
Перед доставкой товар должен быть оплачен 100 %
Самовываз
Заказ можно забрать с нашей торговой точки. (по предварительной договорённости с менеджером)
Адреса торговых точек можно посмостеть в контактах.
Доставка курьером по Москве
Заказ доставляется в течение 1-5 рабочих дней (при наличие на складе).
Проверка товара производится в присутствии курьера, в срок не более 15 минут.
Стоимость доставки фурнитуры:
Доставка в пределах МКАД 600-1000 руб. Доставка оплачивается наличными при получении заказа.
Стоимость доставки указана до двери. ( за исключением габаритных товаров, с длинной более 1 метра )
Доставка по России
Доставка осуществляется с помощью транспортных компаний СДЭК и ПЭК
Так же мы сотрудничаем с такими компаниями как: Деловые Линии, ПЭК, ЖелДор Экспедиция, DPD, "Энергия", "МТК" и другие. посредствам самовывоза с нашего склада.
Сроки доставки:
- Зависят от выбранной транспортной компании и Вашего местоположения.
- Доставка до терминала любой транспортной компании в г. Москва производится за 1-4 дня после оплаты заказа.
Стоимость доставки:
Доставка до терминала "Мосрентген" ТК СДЭК транспортной компании в г. Москва бесплатная.
- Стоимость перевозки по России Вы оплачиваете вместе с заказом сразу или самостоятельно при получении заказа в филиале транспортной Компании своего города.
- Для Вашего удобства можно заказать доставку прямо до дома транспортной компанией.
- При доставке через транспортные компании необходима 100% предоплата за заказ.
* - Стоимость рассчитывается индивидуально и зависит от общего веса, объема перевозимого груза, а также выбранной транспортной компании, и может включать в себя страховку и обрешетку.
Теги: ARMADILLO, 44199, GRAVITY, 4690489042309,
< Предыдущий
Следующий >
